
薄型なのに超頑丈
薄型で製品容量が少ないため、商品設計の際に邪魔にならず、デザインの自由度が高くなります。丈夫で安心の日本製。
カードサイズの超薄型強力ソレノイドロック(電気錠)。
部品の品質を支える金型、治工具から部品まで自社で製造する“一貫生産システム”によりその高品質を実現。熟練職人と最新のロボットにより仕上げています。工夫とアイデアを駆使した業界トップの”パワー”と”薄さ”を兼ね備えました。
厚さ3.2mmのタフトライド処理をしたカムと鉄製フレームでできた丈夫で薄型のデザインは商品設計の際に邪魔にならず、多くの箇所で使用可能です。
堅牢な機構構造は特許を取得しています。【特許第7064120号】

| 製品名 | スリムロック | |
|---|---|---|
| 型番 | NL02101 | NL02102 |
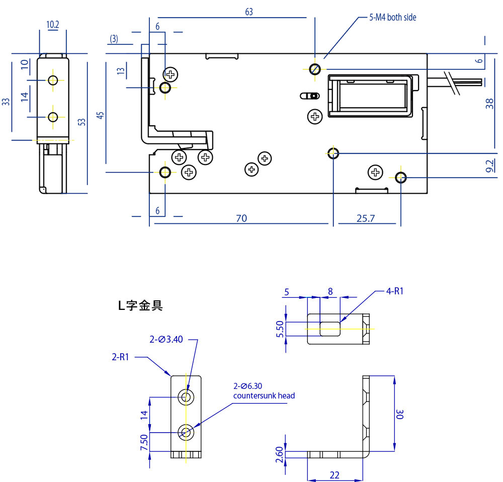
| サイズ | 47.2×105.7×10.2 | |
| 本体重量 | 220g | |
| 電圧/電流 | DC24V/1330mA(32W) | DC12V/2660mA(32W) |
| 通電率/最大連続通電時間 | 間欠通電(6%)/最大15sec | |
| ロック強度 | 250kgf(2500N) | |
| 扉押出力 | 200gf(2N) | |
| 解錠可能負荷 | 1kgf(9.8N) | |
| 解錠動作時間(応答速度) | 200msec | |
| 緊急開錠レバー | ×(※手動開錠は可) | |
| パワーアップダンパー取付 | 可能 | |
| 安全基板「まもるくん」取付 | 可能 | |
| 耐久性 | 30万回 | |
| 取付穴サイズ | M4x0.7 5箇所 | |
| 施錠状態検知 | マイクロスイッチ(施錠時ON) | |
| 使用周囲温度 | -5℃~40℃ ※氷結しないこと | |
| 使用周囲湿度 | 45%~85% ※結露しないこと | |
とにかく薄さにこだわり、厚さ10mmの電気錠を実現しました。スリムなデザインながら頑丈なセキュリティで、使い勝手も抜群。スペースの効率化で場所を選ばず様々な箇所に設置が可能です。

ハイセキュリティを最優先に考え、堅牢性にこだわりました。
カム素材は厚さ3.2mmの鉄製フレームで表面硬度を向上させるタフトライド処理をしています。特許取得の堅牢な設計により250kgの強度を実現しています。



電気錠を使用した製品を作る際、施錠、解錠が一目でわかることは重要です。
マイクロスイッチ内蔵型でカムの状態を検知し、施錠/解錠状態を確認可能です。例えばLEDに繋げば、施解錠が光で判別することができます。


スリムロックを連続定格にできるオプションパーツ。間欠定格を連続定格にできるので、電気の流し過ぎによる故障を防止!スリムロック/スリムロックライトに接続して納品します。
詳細はこちら

取付はネジ止4箇所ありますが、前方2箇所留めでご利用いただけます。
右開き、左開きどちらにも対応しています。
本製品は専門の試験場で引張強度試験を行い、250kgf以上の強度があることを確認しております。また、動作回数試験も行っており、 30万回以上動作を行っても製品の性能に問題はありません。
